Products Introduction
Self-aligning ball bearings have two rows of steel balls, a shared spherical raceway on the outer ring and two consecutive deep groove raceways on the inner ring. These bearings are capable of withstanding angular misalignments of the shaft relative to the housing, such as those caused, for example, by shaft deflection.
| Part Number | 22series |
| Brand | QIV |
| Dimensions | |
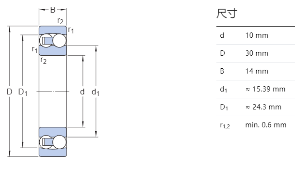
| inside diameter | 10-75mm |
| outer diameter | 30-130mm |
| widths | 14-31mm |
| Properties | |
| Construction | double Row |
| Seal Type | NO |
| Material | Chrome Steel |
| Ball Material | Chrome Steel |
| Cage Material | Chrome Steel |
| Lubrication | NO |
| oil-filling groove | NO |
Custom Detail
1.Custom Approach: OEM/ODM(non-standard)
2.MOQ: Simple Custom-500 pieces
Non-standard Custom: Small Size-5000 pieces
Medium Size-5000 pieces
Big Size-5000 pieces
Product Details
1.Detail Picture
2.Technical parameters
3.Product Characteristics
Withstands static and dynamic misalignment
Excellent high speed performance
Excellent light load performance
Low friction






